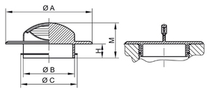
GPN 315 – Grip Plugs