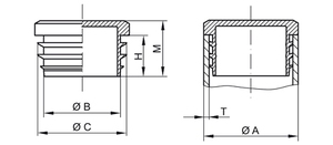
GPN 320 – Finned Plugs