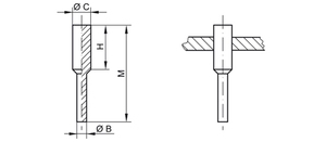
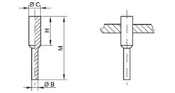
GPN 606 – Pull Plugs