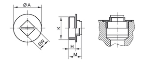
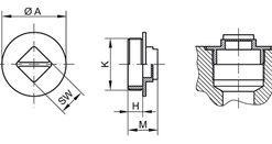
GPN 710 – Screw Plugs